型号推荐及下载
注:标定板2D图纸打印时,在打印方式一栏中,页面大小需要选择“自定义比例 100%或是“实际大小”
所有标定板已通过的认证信息 :(RoHS)
对照表
| 物料编码 | 规格型号 | 材质 | d *(mm) | 标定圆排布 | 整体尺寸(mm) | 已通过的认证信息 |
|---|---|---|---|---|---|---|
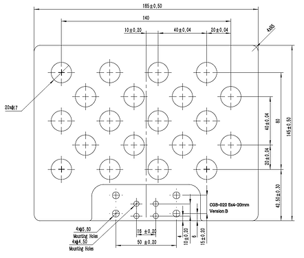
| 03022011 | CGB-020 | 碳纤维 | 20 | 5 * 4 | 185 * 145 * 2 | RoHS |
| 03022012 | CGB-035 | 碳纤维 | 35 | 5 * 4 | 303 * 243 * 2 | RoHS |
| 03022013 | CGB-050 | 碳纤维 | 50 | 5 * 4 | 420 * 340 * 3 | RoHS |
| 03022019 | OCB-005 | 玻璃 | 5 | 9 * 11 | 60 * 55 * 3 | RoHS |
* d 为标定圆间距,即两个相邻点的中心之间沿水平/垂直方向的距离,详见下方示意图。
标定圆排布和间距示意图
CGB 系列标定板
标定圆数量为5*4,非对称排布。
OCB 系列标定板
标定圆数量为11*9,对称排布。
标定板外观示意图
CGB-020
CGB 系列标定板为碳纤维材质,一体式,不需要额外的转接板。
CGB-035, CGB-050
CGB 系列标定板为碳纤维材质,一体式,不需要额外的转接板。
注意:CGB-020与CGB-035、CGB-050的区别在于安装孔位——CGB-20是一种,CGB-35/50是另一种。
OCB 系列标定板
OCB 系列标定板为玻璃材质,没有安装孔,且仅用于 EIH 标定。
注:从2025年7月开始,BDB 系列标定板停止发货和供应,对应需求请选型使用CGB标定板。







